| No. | Part nr. | Description | Add info. | Qty. |
|---|---|---|---|---|
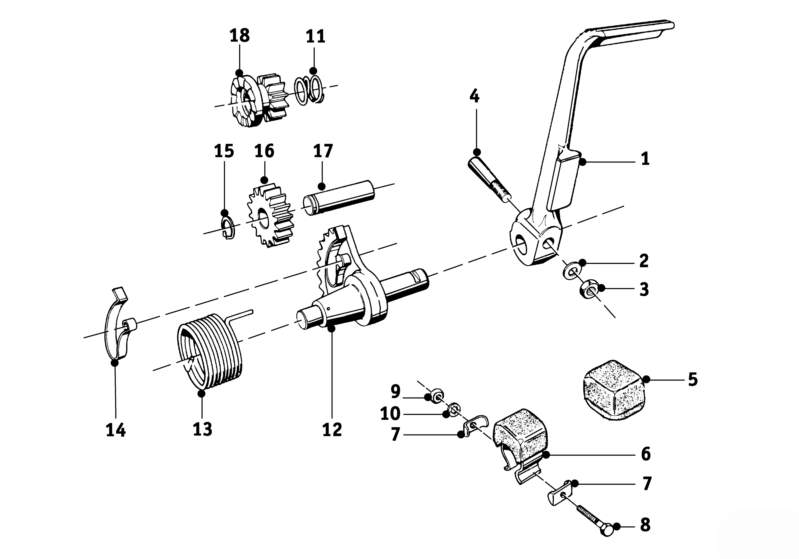
| 1 | 23511056120 | Kickstarter lever | 1 | |
| 2 | 07119931065 | Flat washer | Ø 8.4 mm | 1 |
| 07119931067.1 | Flat washer | Ø 8.4 mm - SSt | ||
| 3 | 07119922081 | Hex nut | M8x1.25 | 1 |
| 4 | 23511056124 | Lever bolt | 9 mm, M8 | 1 |
| 6 | 2351403415x | Kickstart lever stop | 1 | |
| 7 | 46514034156 | Wedge plate | 2 | |
| 8 | 07119912192 | Screw | M5x30 | 1 |
| 9 | 07119922038 | Hex nut | M5 | 1 |
| 10 | 07119936110 | Serrated washer | J5.3 | 1 |
| 11 | 23211020148 | Snap ring | 1 | |
| 12 | 23511056101 | Kickstarter segment | 1 | |
| 13 | 23511056112 | Return spring | 1 | |
| 15 | 07119934080 | Circlip | 15x1 | 1 |
| 16 | 23221056108 | Idler gear | 1 | |
| 17 | 23511056110 | Shaft | 1 | |
| 18 | 23221056104 | Kickstarter gear | R25 - R25/3 | 1 |
