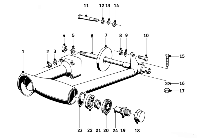
| No. | Part nr. | Description | Add info. | Qty. |
|---|---|---|---|---|
| 1 | 33533054160 | Rear swing arm | 1 | |
| 2 | 07119922093 | Hex nut | M8x1 | 4 |
| 3 | 07119932090 | Wave washer | B8 | 4 |
| 4 | 07119922155 | Hex nut | M14x1.5 | 1 |
| 5 | 07119931089 | Washer | 1 | |
| 6 | 36313004158 | Floating axle | 1 | |
| 7 | 34112060170 | Splash cover | 1 | |
| 8 | 07119921616 | Hex nut | M10x1 | 1 |
| 9 | 07119932111 | Wave washer | 1 | |
| 10 | 07119914337 | Hex head screw | M10x1x35 | 1 |
| 11 | 33533054225 | Bolt | 1 | |
| 12 | 33533054229 | Spacer washer | 1 | |
| 13 | 07119932090 | Wave washer | B8 | 1 |
| 14 | 07119921606 | Hex nut | M8x1 | 1 |
| 15 | 33533054176 | Clamping screw | 1 | |
| 16 | 07119931077 | Flat washer | Ø10.5 mm | 1 |
| 17 | 07119921616 | Hex nut | M10x1 | 1 |
| 18 | 33533054172 | Cap nut | 2 | |
| 19 | 33533054174 | Hex nut | 2 | |
| 20 | 31412000331 | Seal | 2 | |
| 21 | 31412000324 | Thrust sleeve | 2 | |
| 22 | 07119985005 | Taper bearing | 30203 | 2 |
| 23 | 33171239812 | Cover plate | 2 | |
| 24 | 33533054171 | Bearing pivot | 2 |
