| No. | Part nr. | Description | Add info. | Qty. |
|---|---|---|---|---|
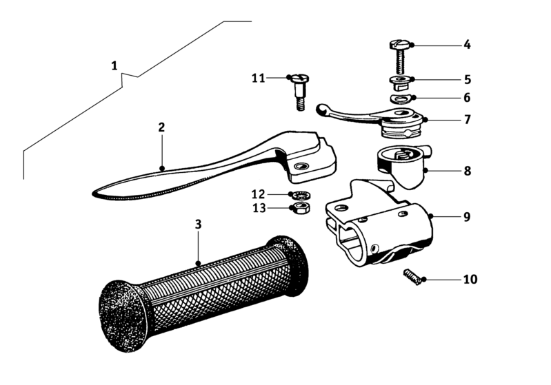
| 1 | 32722072310 | Clutch lever assembly (excl. rubber grip) | R51/2 | 1 |
| 32722072311 | Clutch lever assembly (excl. rubber grip) | R68 | 1 | |
| 32722072112 | Clutch lever assembly (excl. rubber grip) | R51/3 - R67/3 | 1 | |
| 2 | 21522072109 | Clutch lever | 1 | |
| 3 | 32721230407 | Rubber grip | Magura | 1 |
| 32722072195 | Rubber grip - open, for blinker/mirror | Magura | 1 | |
| 32721230868.S | Rubber grip set LH & RH - closed | Magura | 1 | |
| 4 | 32722072373 | Screw | R51/2, R68 | 1 |
| 5 | 32722072375 | Pressure piece | R51/2, R68 | 1 |
| 6 | 32722072377 | Waved washer | R51/2, R68 | 1 |
| 7 | 32722072361 | Ignition lever | R51/2 | 1 |
| 32722072360 | Ignition lever | R51/2, R68 | 1 | |
| 8 | 32722072371 | Ignition lever housing | R51/2, R68 | 1 |
| 9 | 21522072326 | Clutch lever housing | R51/2 | 1 |
| 21522072327 | Clutch lever housing | R68 | 1 | |
| 21522072128 | Clutch lever housing | R51/3 - R67/3 | 1 | |
| 10 | 32722072282 | Set screw | M6x1x6 | 2 |
| 32722072280 | Conical screw | M6 x 1 | 1 | |
| 07119921056 | Flat hex nut | M6 x 1 | 1 | |
| 11 | 32722072217 | Lever screw | 1 | |
| 12 | 07119936135.1 | Lock washer | J6.4 | 1 |
| 13 | 07119921056 | Hex nut | M6x1, flat | 1 |
