My account
My cart
Checkout
Login
Welcome to Salis Parts
Menu
Tools
Parts
Exploded Views
Services
Documentation
Motorcycle Models
R24 – R25/3
R26 – R27
R50 – R69S
R51/2 – R68
< BACK
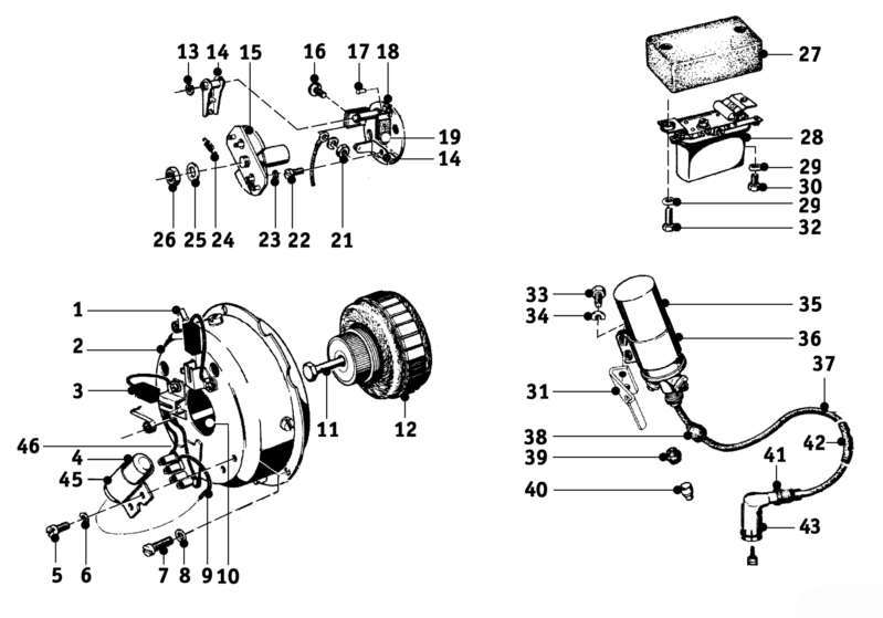
No.
Part nr.
Description
Add info.
Qty.
1
12318002124
Carbon holder spring
2
2
12318002143
Pole housing, complete
1
3
12318002106
Carbon brushes
set of 2
2
4
12318030106
Capacitor
1
12318030105
Capacitor & clamp set
NORIS
1
5
07119919360
Cylinder head screw
M4x6
2
6
07119933035
Spring washer
B4
2
7
07119919467
Cylinder head screw
M6x16
3
8
07119933058
Wave washer
B5
3
07119932072
Wave washer
B6
3
9
12318030108
Cable
R26
1
10
12318002139
Field coil 1 (mechanical regulator)
R26
1
12318002144
Field coil 1 / 2 (R27)
R26, R27
1 / 2
12318002145
Field coil 3
R26, R27
1
12318002146
Field coil 4
R26, R27
1
11
12318002142
Hex. head screw
1
12
12318002141
Armature
1
13
12118030576
Snap ring
1
14
12118030155
Contact points
1
15
12118030147
Ignition advance unit
1
16
12118030142
Connecting screw
1
17
07119947112
Rivet
R26 - 2.6x5
1
18
12118030132
Base plate, contact points
1
19
12118030140
Lubricating wick
1
20
1
21
07119921025
Hex nut
1
22
12118030134
Screw
M4x6
1
x
07119936041
Serrated washer
J4.3
1
23
12118030576
Safety washer
3.2
2
24
12118030148
Advance spring
short
2
25
07119931043
Washer
6.4 flat
1
26
07119921056
Hex nut
M6 flat
1
27
12318008115
Protection cap
1
28
12328008106
Regulator switch
1
29
07119932047
Wave washer
B5
2
30
07119913210
Hex head screw
M5x8
1
31
61338046124
Bracket
1
32
07119913227
Hex head screw
M5x12
1
33
07119913425
Hex head screw
M6x10
2
34
07119932099
Wave washer
B6
2
35
12138030025
Ignition coil
1
36
12138030500
Attaching clip
1
37
12128036124
Ignition cable
1
X
12128536120
Cable sleeve
R27
1
38
61138070106
Rubber grommet
R26
1
39
62148071590
Soft rubber ring
1
40
62148071592
Sleeve
1
41
12128036160
Rubber cover
1
42
12128036100
Rubber sleeve
1
43
12128036157
Spark plug cap
1
x
07119976330
Spark plug
W 240 T1 (W4AC)
1
45
12318030107
Capacitor clamp
1
46
12318002289P
Pertinax terminal board
R27
1
x
61138070195
Rubber grommet
R27
1
x
12118536129
Protection cap, coil to cable
R27
1